Welcome to INDYGREEN TECHNOLOGIES
Semi Auto Lines
Semi Auto Lines
Indygreen Technology offers advanced Semi-Automatic Lines for Prismatic Battery Pack Solutions, engineered to provide the perfect balance between automation efficiency, precision control, and operational flexibility. These lines are thoughtfully designed to meet the evolving needs of modern lithium battery manufacturing, offering a seamless blend of technology and human oversight.
Our semi-automatic systems integrate high-precision equipment for cell testing, laser welding, module assembly, and BMS integration—ensuring every battery pack is produced with superior quality, consistency, and reliability. By minimizing manual intervention, these lines help reduce human error while maintaining the adaptability required for customized production demands.
Applications
Our Prismatic battery packs are designed for a wide range of industrial and consumer applications, including:
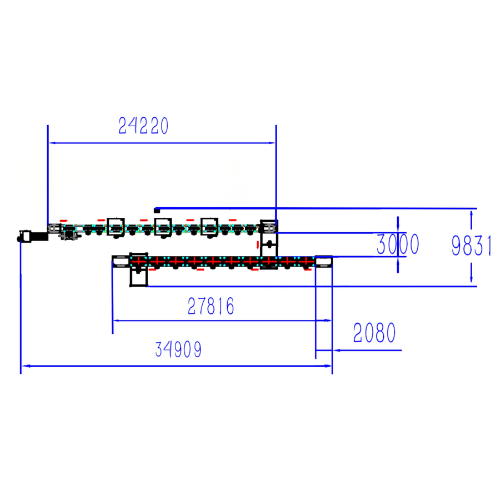
Layout
The layout consists of two main lines — the Module Line and the Pack Line — as shown in the layout. The Module Line has a total length of 24,220 mm, while the Pack Line extends to 27,816 mm, ensuring smooth and continuous manufacturing flow. A transfer crane is strategically placed between these two lines to efficiently transfer battery packs from the module section to the pack section.
The line incorporates a Module Section (1200 × 800 mm) and a Pack Section (1900 × 1000 mm), designed for optimal space utilization and seamless integration. By combining advanced automation with skilled human operation, this setup ensures consistent quality, reduced cycle time, and enhanced productivity
List Of Items
- Cell Grading Machine
- Cell Sorting Machine
- Plasma Cleaning Machine
- Pressing and Binding Machine
- Polarity Detection Machine
- Laser Welding Machine
- BMS Testing Machines
- EOL Testers
- Battery Aging Machines
- Conveyors
Copyright © 2012 INDYGREEN TECHNOLOGIES | All Rights Reserved.
Get a Quote




